Product  MA-M8-M30

Mounting Adapter

Order number: 100050785
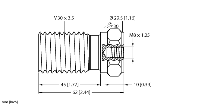
    • Female thread: M8 × 10 mm
    • Male thread: M30 × 45 mm
    • Stainless steel, V4A
#

General data

EAN 4047101678611
Customs tariff number 73269098900
Country of origin DE
Weight 310 g

Data Sheets

Select Country

Turck Deutschland

Deutsch | English

Turck worldwide

to top