Product FP100-300L-51-NA-H1141
Flow Meter
Immersion Sensor without Integrated Processing Unit
Order number: 100001046- Screw-in adapter with process connection G3/4" male thread included in delivery
- Housing material: 1.4571 (316Ti)
- Immersion depth 16.9 mm
- Flow monitoring for liquid media
- Protection classes IP66, IP67 and IP69K
- Connector, M12 × 1

General data
| EAN | 4047101447040 |
| eCl@ss-Code (V5.1.4): | 27273190 -/- Flow meter (not classified) |
| Customs tariff number | 90261029000 |
| Country of origin | DE |
| Weight | 240 g |
Technical Data
| Function | Flow monitoring |
| Design | Without display (integrated probe) |
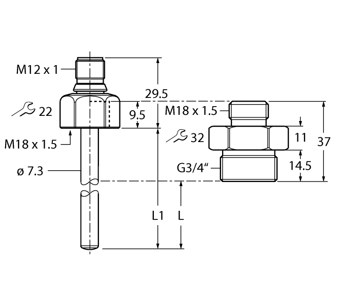
| Bar length (L1) | 45 mm |
| Immersion depth L | 16.9 mm |
| Medium | liquids |
| Electrical connection | Connector, M12 × 1 |
| Housing material | Stainless steel, 1.4571 (AISI 316Ti) |
| Medium temperature | -25…+85 °C |
| Ambient temperature | -40…+80 °C |
| Protection class | IP66/IP67/IP69K |
| Approvals | CE, cULus |
Mounting accessories
|
FAA-A1-1.4571
Screw-in adapter for immersion sensors from the series FS.. , FP..; material: Stainless steel 1.4571 (316Ti); process connection: N1/2” |
100001987 |
|
FAA-80-1.4571
Screw-in adapter for immersion sensors from the series FS.. , FP..; material: Stainless steel 1.4571 (316Ti); process connection: G1/2” |
100001988 |
|
FAA-04-1.4571
Screw-in adapter for immersion sensors from the series FS.. , FP..; material: Stainless steel 1.4571 (316Ti); process connection: G1/4” |
100001989 |
|
FAA-34-1.4571
Screw-in adapter for immersion sensors from the series FS.. , FP..; material: Stainless steel 1.4571 (316Ti); process connection: N3/4” |
100001990 |
|
FAA-81-1.4571
Screw-in adapter for immersion sensors from the series FS.. , FP..; material: Stainless steel 1.4571 (316Ti); process connection: G3/4” |
100001991 |
Connectivity accessories
|
WKC4.4T-2/TEL
Connection cable, M12 female connector, angled, 4-pin, cable length: 2 m, jacket material: PVC, black; cULus approval |
6625025 |
|
RKC4.4T-2/TEL
Connection cable, M12 female connector, straight, 4-pin, cable length: 2 m, jacket material: PVC, black; cULus approval |
6625013 |
|
WKC4.4T-2/TXL
Connection cable, M12 female connector, angled, 4-pin, cable length: 2 m, jacket material: PUR, black; cULus approval |
6625515 |
|
RKC4.4T-2/TXL
Connection cable, M12 female connector, straight, 4-pin, cable length: 2 m, jacket material: PUR, black; cULus approval |
6625503 |
Functional accessories
|
FM-IM-3UP63FX
Signal processor for non-Ex flow sensors from the FP…-…-NA-… family; operating voltage 20…30 VDC; LED bar for displaying flow speed and medium temperature; IO-Link device with transistor outputs for flow, temperature and errors |
100000818 |
|
FM-IM-3UR38FX
Signal processor for non-Ex flow sensors from the FP…-…-NA-… family; operating voltage 20…250 VAC; LED bar for displaying flow speed and medium temperature; IO-Link device with relay outputs for flow, temperature and errors |
100000820 |
|
FM-IM-2UPLI63FX
Signal processor for non-Ex flow sensors from the FP…-…-NA-… family; operating voltage 20…30 VDC; LED bar for displaying flow speed and medium temperature; IO-Link device with analog output for flow and transistor outputs for temperature and errors |
100000819 |
|
FS121-2UPN8-H1141
Signal processor for non-Ex flow sensors from the FP…-…-NA-…, FCS…NA…, FCI…NA… product series; operating voltage 17…33 VDC; 12-segment display of flow rate and media temperature; IO-Link device with transistor outputs for flow and temperature |
100047864 |

