Product DWE-3000-110-121-9D38B-H1151
Draw-Wire
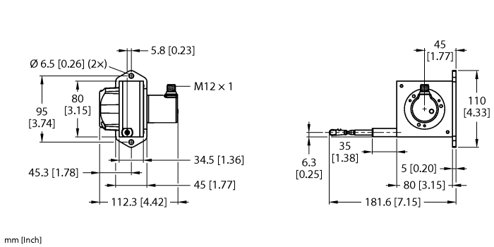
Order number: 100049360- Highly dynamic draw-wire sensor
- With permanently installed CANopen encoder REM-E-121T10C-9D38B-H1151
- Measuring principle: magnetic
- Sensor protection class IP65
- ‐20…+85 °C
- 10…30 VDC
- CANopen
- M12 × 1 connector, 5-pin

General data
| EAN | 4047101658989 |
| eCl@ss-Code (V5.1.4): | 27270790 -/- Sensor for length, path (not classified) |
| Customs tariff number | 90318020000 |
| Country of origin | DE |
| Weight | 750 g |
Technical Data
| Design | Draw Wire |
| Measuring principle | Magnetic |
| Operating voltage | 10…30 VDC |
| Communication protocol | CANopen |
| Electrical connection | Connector, M12 × 1 |
| Housing material | Titanium anodized aluminium |
| Ambient temperature | -20…+85 °C |
| Protection class | IP65 |
Data Sheets
Approval/Declaration
Configuration File
Manual
Connectivity accessories
|
FSM-2FKM57
CANopen/DeviceNet/power supply T-splitter, 1 × M12 male connector, 2 × M12 female connector, 5-pin |
6622101 |
|
RKC5701-5M
Bus cable for CAN (DeviceNet, CANopen), M12 female connector, straight, cable length: 5 m, jacket material: PUR, anthracite; cULus approval |
6931034 |

