Product REI-10SA1S-4B4096-H1181
Incremental Encoder
Industrial Line
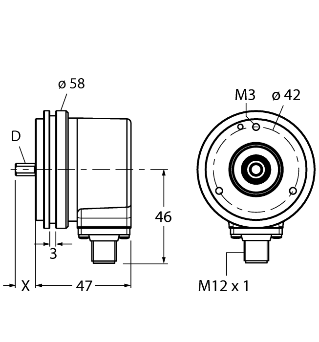
Order number: 100010364- Synchro flange, Ø 58 mm
- Solid shaft, Ø 3/8" × 5/8"
- Optical measuring principle
- Shaft material: stainless steel
- Protection class IP67 on housing and shaft side
- ‐40…+85 °C
- Max. 6000 rpm (continuous operation 3000 rpm)
- 5…30 VDC
- RS422/TTL invertible
- Pulse frequency max. 300 kHz
- M12 × 1 male connector, 8-pin
- 4096 pulses per revolution

General data
| EAN | 4047101552133 |
| eCl@ss-Code (V5.1.4): | 27270502 -/- Encoder, incremental |
| Customs tariff number | 90314990000 |
| Country of origin | DE |
| Weight | 400 g |
Technical Data
| Encoder line | Industrial-Line |
| Technology | Optical |
| Output type | Incremental |
| Shaft Type | Solid shaft |
| Shaft diameter D (mm) | 9.525 |
| Shaft diameter D | 0.375 in |
| Flange diameter | Ø 58 mm |
| Flange type | Synchro flange |
| Resolution, incremental | 4096 ppr |
| Operating voltage | 5…30 VDC |
| Output function | RS422/TTL, invertable |
| Electrical connection | Connector, M12 × 1 |
| Housing material | Die-cast zinc |
| Ambient temperature | -40…+85 °C |
| Protection class shaft | IP67 |
| Protection class | IP67 |
Connectivity accessories
|
RKC8T-2/TXL
Connection cable, M12 female connector, straight, 8-pin, cable length: 2 m, jacket material: PUR, black; cULus approval |
6625142 |
|
WKC8T-2/TXL
Connection cable, M12 female connector, angled, 8-pin, cable length: 2 m, jacket material: PUR, black; cULus approval |
6625145 |

