Produkt RI-09H8E-2F360-C
Inkrementaler Drehgeber
Industrial-Line
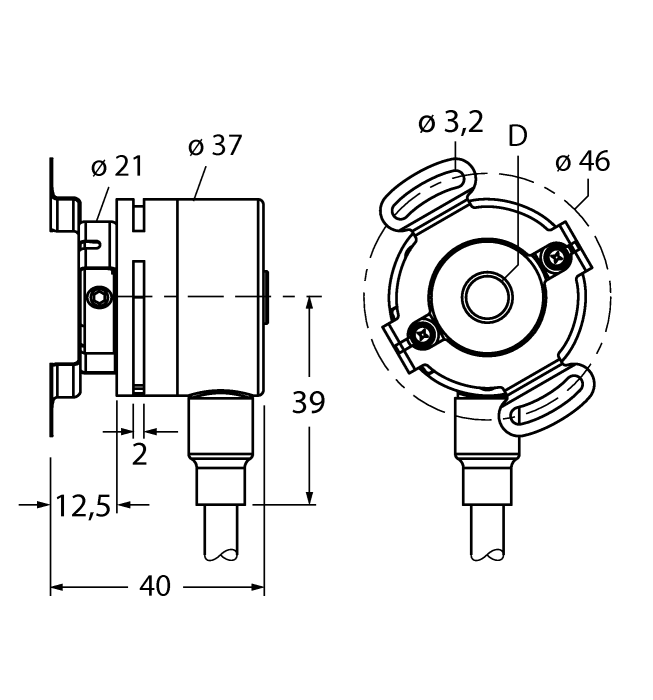
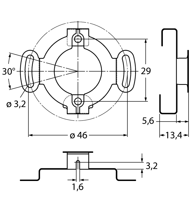
Bestellnummer: 1544107- Flansch mit Statorkupplung, Ø 36,8mm
- Hohlwelle, Ø 8mm
- Optisches Messprinzip
- Wellenmaterial: rostfreier Stahl
- Schutzart IP 65 wellenseitig
- ‐20 ... +70°C (Versorgungsspannung > 15 V DC: max. 55°C)
- max. 6000 U / min
- 5...30 VDC
- Kabelanschluss, 8-polig
- Gegentakt mit Invertierung
- Impulsfrequenz max. 250kHz
- 360 Impulse pro Umdrehung

Allgemeine Daten
EAN | 4047101253702 |
eCl@ss-Code (V5.1.4): | 27270502 -/- Drehgeber, inkremental |
Warentarifnummer / Zolltarifnummer | 90314990000 |
Ursprungsland | DE |
Gewicht | 293 g |
Technische Daten
Encoder-Line | Industrial-Line |
Technologie | optisch |
Ausgangsart | Inkremental |
Wellenart | Sacklochwelle |
Wellendurchmesser D (mm) | 8 |
Flanschdurchmesser | Ø 46 mm |
Flanschart | Flansch mit Statorkupplung |
Auflösung inkremental | 360 ppr |
Betriebsspannung | 5…30 VDC |
Ausgangsfunktion | Push-Pull/HTL, mit Invertierung |
Elektrischer Anschluss | Kabel |
Gehäusewerkstoff | Kunststoff |
Umgebungstemperatur | -20…+70 °C |
Schutzart Gehäuse | IP67 |
Schutzart Welle | IP65 |