Produkt NCLS-WA7
Zubehör
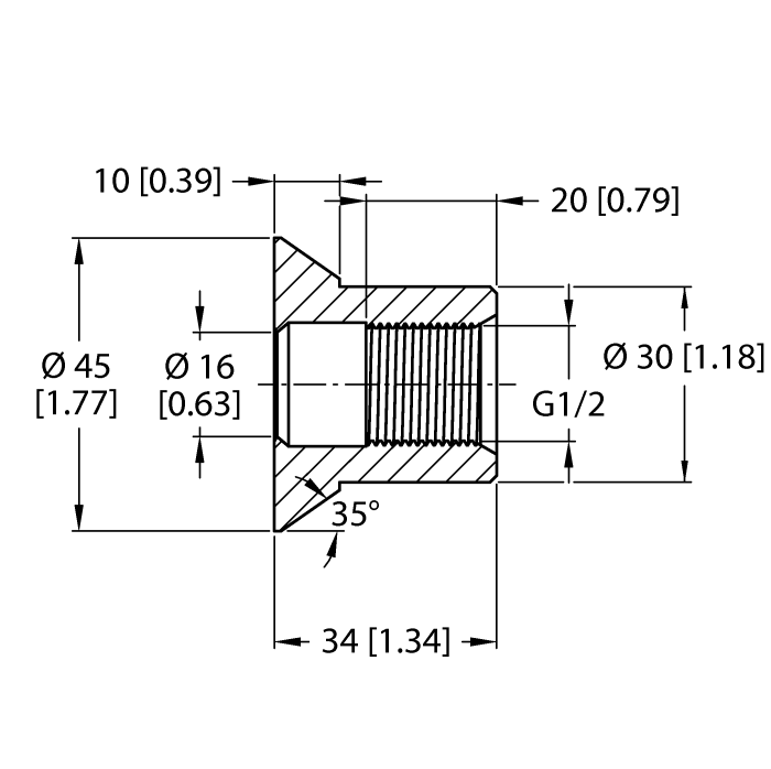
Einschweißmuffe mit Kragen
für kapazitive Grenzstandsensoren NCLS
Bestellnummer: 100004433- Einschweißmuffe für dickwandige Behälter
- HPC-Sleeve No. 4
- Passend für NCLS-Grenzstandsensoren

Allgemeine Daten
EAN | 4047101499452 |
eCl@ss-Code (V5.1.4): | 27270102 -/- kapaz. Näherungsschalter |
Warentarifnummer / Zolltarifnummer | 73072910900 |
Ursprungsland | DE |
Gewicht | 159 g |
Technische Daten
Zubehörart | Prozessadapter |
Verwendung für | Kapazitive Sensoren |
Prozessanschluss | Anschweißmontage |
Einbaubedingungen | bündig |
Baugrösse | 34 x 45 x 45 mm |
Gehäusewerkstoff | Edelstahl, 1.4404 (AISI 316L) |
Schutzart | IP67 |