Produkt RA-MW-200-6.5-PS1-6
Zubehör
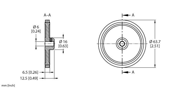
Messrad
für Vollwellendrehgeber
Bestellnummer: 100038296- Zur Längenmessung
- Umfang: 0,2 m
- Material: Aluminium
- Belag: Polyurethan glatt
- Einsatzgebiet: gefettete Metalle, Stahlprofile, lackierte Oberflächen, Kunststoffe, Pappe, Holz, Textilien, Draht, Leder

Allgemeine Daten
EAN | 4047101593303 |
eCl@ss-Code (V5.1.4): | 27279090 -/- Sensorik (sonstige, nicht klassifiziert) |
Warentarifnummer / Zolltarifnummer | 76169990990 |
Ursprungsland | DE |
Gewicht | 44 g |
Technische Daten
Zubehörart | Messrad |
Verwendung für | Drehgeber |
Umgebungstemperatur | -30…+80 °C |