Produkt REI-05I6E-2H1024-H1181
Inkrementaler Drehgeber
Industrial-Line
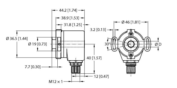
Bestellnummer: 100011188- Flansch mit Statorkupplung, Ø 46mm
- Hohlwelle, Ø 6mm
- Optisches Messprinzip
- Wellenmaterial: Messing
- Schutzart Welle IP50
- Schutzart Gehäuse IP65
- ‐20 ... +85 °C
- max. 6000 U / min
- 8...30 VDC
- Push-Pull/HTL mit Invertierung
- Impulsfrequenz max. 200 kHz
- Steckverbinder, M12 x 1, 8-polig
- 1024 Impulse pro Umdrehung

Allgemeine Daten
| EAN | 4047101549942 |
| eCl@ss-Code (V5.1.4): | 27270502 -/- Drehgeber, inkremental |
| Warentarifnummer / Zolltarifnummer | 90314990000 |
| Ursprungsland | IN |
| Gewicht | 120 g |
Technische Daten
| Encoder-Line | Industrial-Line |
| Technologie | optisch |
| Ausgangsart | Inkremental |
| Wellenart | Hohlwelle |
| Wellendurchmesser D (mm) | 6 |
| Flanschdurchmesser | Ø 46 mm |
| Flanschart | Flansch mit Statorkupplung |
| Auflösung inkremental | 1024 ppr |
| Betriebsspannung | 8…30 VDC |
| Ausgangsfunktion | Push-Pull/HTL, mit Invertierung |
| Elektrischer Anschluss | Steckverbinder, M12 x 1 |
| Gehäusewerkstoff | Aluminium chromatiert |
| Umgebungstemperatur | -20…+85 °C |
| Schutzart Welle | IP50 |
| Schutzart | IP65 |
Montagezubehör
|
RME-3
Statorkupplung aus Edelstahl für Hohlwellendrehgeber, Teilkreisdurchmesser 46 mm, für Applikationen mit Axial- und Radialspiel bei hoher Dynamik |
1544614 |
Anschlusszubehör
|
RKC8T-2/TXL
Anschlussleitung, M12-Kupplung, gerade, 8-polig, Leitungslänge: 2 m, Mantelmaterial: PUR, schwarz; cULus-Zulassung |
6625142 |
|
WKC8T-2/TXL
Anschlussleitung, M12-Kupplung, gewinkelt, 8-polig, Leitungslänge: 2 m, Mantelmaterial: PUR, schwarz; cULus-Zulassung |
6625145 |

