Produkt QCM50-K3D60-Q8-5
Opto-Sensor
Farbtaster
mit Schaltausgang
Bestellnummer: 3806614- Schutzart IP67/IP69
- Stecker, M12 x 1, 5-polig
- Reichweite: 20...150 mm
- 3 PNP/NPN-Schaltausgänge & IO-Link
- Speichert und vergleicht bis zu 7 Farben

Allgemeine Daten
| EAN | 662488050795 |
| eCl@ss-Code (V5.1.4): | 27270801 -/- Optischer Abstandssensor |
| Warentarifnummer / Zolltarifnummer | 85365019000 |
| Ursprungsland | DE |
| Gewicht | 181 g |
Technische Daten
| Funktion | Inspektions-Sensor |
| Betriebsart | Farb-Sensor |
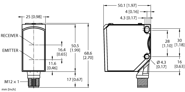
| Bauform | Quader |
| Baugrösse | 50 x 25 x 50.5 mm, QCM50 |
| Reichweite | 20…150 mm |
| Lichtart | Weiß |
| Betriebsspannung | 18…30 VDC |
| Ausgangsfunktion | Schließer, PNP/NPN |
| Kommunikationsprotokoll | IO-Link |
| Elektrischer Anschluss | Steckverbinder, M12 x 1 |
| Gehäusewerkstoff | Zink-Druckguss, grau |
| Umgebungstemperatur | -20…+55 °C |
| Schutzart | IP67/IP69K |

