Produkt BI2-EG08-AN6X
Induktiver Sensor
mit erhöhtem Schaltabstand
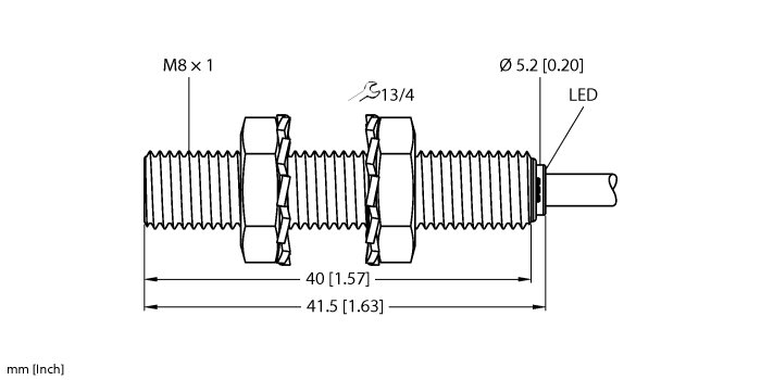
Bestellnummer: 4602140- Gewinderohr, M8 x 1
- Edelstahl, 1.4305 (AISI 303)
- großer Erfassungsbereich
- DC 3‐Draht, 10...30 VDC
- Schließer, NPN‐Ausgang
- Kabelanschluss

Allgemeine Daten
| EAN | 4047101152289 |
| eCl@ss-Code (V5.1.4): | 27270101 -/- induktive Näherungsschalter |
| Warentarifnummer / Zolltarifnummer | 85365019000 |
| Ursprungsland | LK |
| Gewicht | 46 g |
Technische Daten
| Bauform | Gewinderohr |
| Baugrösse | M8 x 1 |
| Bemessungsschaltabstand | 2 mm |
| Einbaubedingungen | bündig |
| Betriebsspannung | 10…30 VDC |
| Ausgangsfunktion | Schließer, NPN |
| Schaltfrequenz | 3.0 kHz |
| Elektrischer Anschluss | Kabel |
| Leitungslänge | 2.0 m |
| Gehäusewerkstoff | Edelstahl, 1.4305 (AISI 303) |
| Umgebungstemperatur | -25…+70 °C |
| Schutzart | IP67 |
| Besondere Merkmale | Sn + |
Montagezubehör
|
QM-08
Schnellmontagehalterung mit Festanschlag; Werkstoff: Messing verchromt. Außengewinde M12 x 1. Hinweis: Der Schaltabstand der Näherungsschalter kann sich durch Verwendung von Schnellmontagehalterungen verringern. |
6945100 |
|
BST-08B
Befestigungsschelle für Gewinderohrsensoren, mit Festanschlag; Werkstoff: PA6 |
6947210 |
|
MW08
Befestigungswinkel für Gewinderohrsensoren; Werkstoff: Edelstahl A2 1.4301 (AISI 304) |
6945008 |
|
BSS-08
Befestigungsschelle für Glatt -und Gewinderohrsensoren; Werkstoff: Polypropylen |
6901322 |

